Ваша корзина пуста!
Замок для отелей JWM C1000-B-PP G-handle IC 12-24 VDC Mortise-A 38-55 мм правый нерж. сталь (Китай)
- Производитель: JWM
- Гарантийный срок: 12мес
- Количество ригелей: 1
- Открытие блока: Правое
- Страна производитель: Китай
- Форма ригеля: Прямоугольная
Отправить ссылку:
Карточный отельный замок JWM C1000-B-PP G-handle IC 12-24 VDC Mortise-A 38-55 мм правый нерж. сталь
JWM C1000-B-PP - карточный замок, разработанный специально для использования вотельной индустрии. Он устанавливается на деревянные или металлические двери и не требует прокладки проводов.

ТЕХНИЧЕСКИЕ ХАРАКТЕРИСТИКИ
- Тип карты: IC карта (контактная карта с микрочипом);
- Питание: автономное, элементы типа АА, ресурс одного комплекта элементов питания - 2-3 года (до 10 000 открываний);
- Энергонезависимая память: 864 последних событий;
- Функция антипаники: изнутри замок всегда открывается нажатием на ручку независимо от положения ригеля;
- Функция приватности (запрет доступа, когда гость в комнате) - активируется замыканием замка изнутри на ригель с помощью тумблера. Замок можно быть открыть только Мастер-картой и картой экстренного отпирания;
- Аварийное отпирание: механический ключ;
- Модель ручки: G-Handle;

- Врезной замок: JWM Mortise-A.
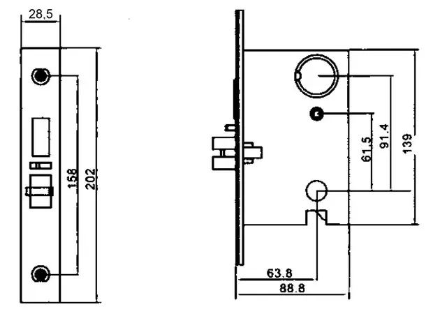
- Бэксет: 65 мм;
- Толщина дверей: 38 - 55 мм;
- Торцевая планка - 28,5 мм, прямоугольная;
- Сторонность: правая. Для дверей, открывающихся внутрь.

JWM - ведущий производитель электронных систем запирания в Китае. Имеет собственные производственные мощности в городе Шэньчжэнь на границе с Гонконгом. Продукция JWM для учреждений гостеприимства удовлетворяет требования максимальной безопасности, имеет индивидуальный стиль и низкую стоимость эксплуатации. JWM предлагает комплексные системы безопасности для гостиниц, включающие дверные замки, программное обеспечение для управления замками, лифтами и пропускными пунктами, карточные считыватели и устройства для энергосбережения.


| JWM-C1000-B-PP |
| Карточка товара | |
| Гарантийный срок | 12мес |
| Количество ригелей | 1 |
| Открытие блока | Правое |
| Страна производитель | Китай |
| Форма ригеля | Прямоугольная |
Просмотренные товары
