Ваша корзина пуста!
Замок дверной Меттем ЗВ9 143.0.0
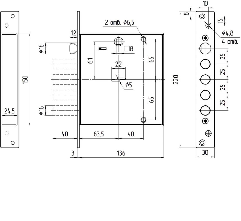
Меттем ЗВ9 143.0.0 — врезной сувальдный замок с 5 сувальдами, сертифицированный по 3 классу безопасности (ГОСТ). Предназначен для установки во входные двери всех типов, особенно рекомендуется для металлических и усиленных дверей.
Запирает дверь на 4 стальных ригеля диаметром 16 мм, с вылетом 40 мм. Один из ригелей содержит закалённый стальной стержень, препятствующий перепиливанию. Дверь может быть заперта на 4 полных оборота (возможно частичное запирание на 2 оборота).
Модель оснащена съёмной лицевой планкой из стали. В комплект входят 5 латунных ключей и 2 декоративные накладки из нержавеющей стали — внутренняя и наружная.
Преимущества замка
• 3 класс безопасности по ГОСТ
• 5 сувальд — высокая секретность
• 4 ригеля диаметром 16 мм
• Защита от перепиливания — закалённый стержень
• Полное запирание на 4 оборота
• Съёмная лицевая планка
• Усиленный корпус из оцинкованной стали
• Подходит для дверей толщиной 35–100 мм
Технические характеристики
• Тип крепления: врезной/вкладной
• Габариты корпуса: 220×139×30 мм
• Толщина дверного полотна: 35–100 мм
• Материал корпуса: оцинкованная сталь
• Количество ригелей: 4
• Диаметр ригелей: 16 мм
• Вылет ригелей: 40 мм
• Количество полуоборотов: 4
• Количество сувальд: 5
• Бэксет: 63,5 мм
• Наличие защёлки: да
• Наличие задвижки / тяг: нет / нет
• Количество ключей: 5
• Длина ключа: 50 мм
• Вес: 1,7 кг
• Гарантия: 24 месяца
Комплектация
• Замок Меттем ЗВ9 143.0.0
• 5 латунных ключей
• 2 декоративные накладки (внутренняя и наружная)
• Паспорт изделия
• Упаковка
О бренде Меттем
ООО «Меттем-ПРОИЗВОДСТВО» занимается выпуском замков и фурнитуры с 1992 года. За десятилетия работы компания стала одним из лидеров российского рынка. Продукция включает механические, электронные и комбинированные замки, созданные на основе современных технологий.
Замки Меттем известны своей надёжностью, защищённостью и высоким уровнем секретности. Дополнительную прочность конструкции обеспечивает фурнитура, которая не только декоративна, но и функциональна.
| Карточка товара | |
| Backset | 63мм |
| Гарантийный срок | 24 |
| Категории | Основные замки (с защелкой) |
| Межосевое расстояние | 65 |
| Страна производитель | Казахстан |
| Тип установки замка | Врезной |
Просмотренные товары
