Корзина 0
Ваша корзина пуста!
Отправить ссылку:
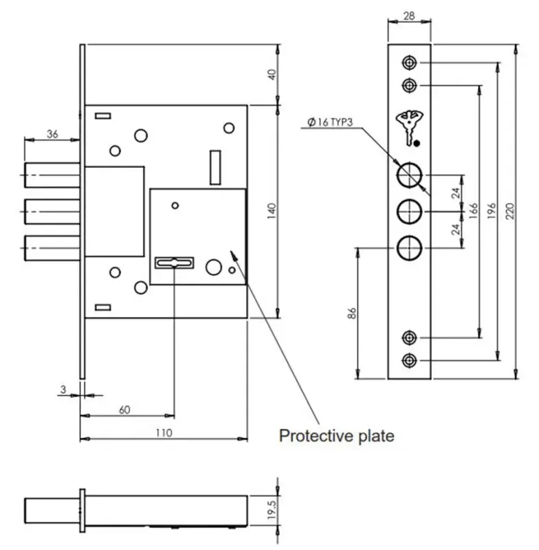
MUL-T-LOCK 1-WAY 257 – дополнительный замок врезного монтажа, предназначенный для установки в металлические входные двери. Обеспечивает дополнительную защиту и надежность конструкции.
Три ригеля диаметром 16 мм обеспечивают прочность и устойчивость. Выход ригелей – 36 мм. Корпус замка защищен бронепластиной из закаленной стали, предотвращающей высверливание.

Компания Mul-T-Lock (Мультилок) основана в 1973 году в Израиле и зарекомендовала себя как ведущий производитель систем безопасности. С 2000 года входит в группу ASSA ABLOY, обеспечивая инновационные решения в области замков и запорных механизмов.
| Карточка товара | |
| Backset | 60мм |
| Выход ригеля | 34.5мм |
| Диаметр ригеля | 16мм |
| Количество ключей | 4 |
| Количество ригелей | 3 |
| Корпус замка | Да |
| Механизм секретности | Сувальдный |
| Открытие блока | Универсальное |
| Применение замка | Металлическая дверь|Защитная конструкция|Ворота |
| Страна производитель | Израиль |
| Тип установки замка | Врезной |
| Форма ригеля | Цилиндрическая |
Просмотренные товары