Ваш кошик порожній!
Врізний основний замок CLASS 352RL (ан. KALE 352) (Китай)
- Виробник: CLASS
- Backset: 65 мм
- Выход ригеля: 34,5 мм
- Диаметр ригеля: 16 мм
- Класс защиты замка: 4
- Количество ригелей: 3
- Країна виробник: Китай
- Материал замка: Сталь
- Межосевое расстояние: 85 мм
- Открытие блока: Універсальний
- Открытие устройства: Ключ
- Применение замка: Металеві двері | Дерев'яні двері
- Расположение: Вертикальний
- Реверсивная защелка: Так
- Стан: Новачок
- Тип встановлення замка: Посмішка
- Тип замка: Система блокування Рігеля | Средал
- Тип запирания: Основний
- Форма ригеля: Циліндричний
Відправити посилання:
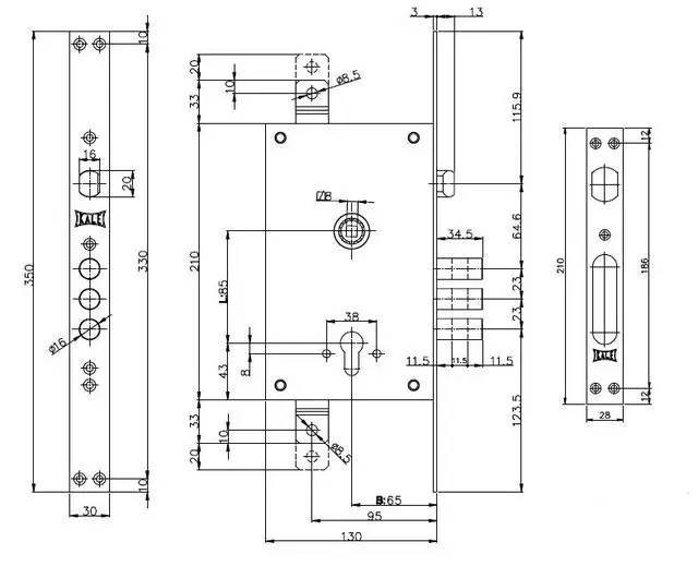
Корпус врізного основного замка CLASS 352RL(ан. KALE 352)
Врізний циліндровий замок CLASS 352RL з тягами призначений для встановлення на сталеві двері. Замок оснащений трьома потужними циліндричними ригелями діаметром 16 мм з вильотом 34,5 мм та реверсивною клямкою, керованою як циліндровим механізмом (серцевиною), так і ручкою.
Корпус виготовлений з пофарбованої сталі, ригелі виконані з хромованої сталі. Замок відноситься до 4 класу безпеки і забезпечує високий рівень захисту вхідних дверей. Для роботи потрібен циліндровий механізм (у комплект не входить).
Завдяки наявності виходів для тяг модель може використовуватися в багатозапірних системах. Торцева планка нікельована. Замок сумісний за конструкцією із замками серії KALE 352.
Для роботи замка використовується циліндровий механізм (серцевина), який підбирається окремо.

ТЕХНІЧНІ ХАРАКТЕРИСТИКИ
- Тип механізму: циліндровий
- Тип замка: врізний
- Тип клямки: реверсивна
- Кількість ригелів: 3 шт.
- Виліт ригеля: 34,5 мм
- Діаметр ригеля: 16 мм
- Клас безпеки: 4 (вищий)
- Кількість ключів: залежить від встановленого циліндра (у комплекті немає)
- Наявність виходів для тяг: є
- Лицева планка: у комплекті
- Габаритні розміри: 210 × 130 × 19,5 мм
- Backset: 65 мм
- Міжосьова відстань: 85 мм
- Матеріал корпусу: пофарбована сталь
- Матеріал ригелів: хромована сталь
- Країна виробник: Китай

CLASS — це надійний китайський виробник замків та фурнітури для побутового і господарського використання. В асортименті бренду — навісні, врізні та накладні замки, механізми різної форми та ступеня захисту.
Продукція CLASS виготовляється з міцних матеріалів (чавун, сталь, латунь) і орієнтована на практичне застосування: склади, ворота, кладові, шафи та приміщення загального користування.
Замки відрізняються простою конструкцією, стабільною якістю та доступною ціною.
Бренд представлений на ринку понад 10 років і активно використовується в країнах Східної Європи та Азії.


| Картка товару | |
| Backset | 65 мм |
| Выход ригеля | 34,5 мм |
| Диаметр ригеля | 16 мм |
| Класс защиты замка | 4 |
| Количество ригелей | 3 |
| Країна виробник | Китай |
| Материал замка | Сталь |
| Межосевое расстояние | 85 мм |
| Открытие блока | Універсальний |
| Открытие устройства | Ключ |
| Применение замка | Металеві двері | Дерев'яні двері |
| Расположение | Вертикальний |
| Реверсивная защелка | Так |
| Стан | Новачок |
| Тип встановлення замка | Посмішка |
| Тип замка | Система блокування Рігеля | Средал |
| Тип запирания | Основний |
| Форма ригеля | Циліндричний |
