Ваш кошик порожній!
Замок TESA для евакуаційного виходу накладної 1930908 NR (Іспанія)
- Виробник: Tesa
- Гарантійний термін: 24 місяці
- Країна виробник: Іспанія
- Способ установки: Накладний
- Тип встановлення замка: Врізний
Відправити посилання:
Замок TESA для евакуаційного виходу накладної 1930908 NR
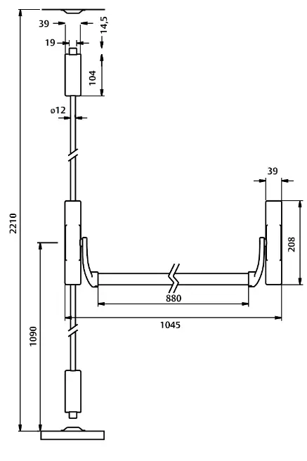
Пристрій антипаніки для дверей евакуаційних виходів серії Universal, модель TESA 1930 накладного типу з 2 точками замикання зі сталевими засувками. Використовується в металевих, дерев'яних та профільних дверях евакуаційних виходів. Придатний для установки на димозахисних і протипожежних дверях. З внутрішньої сторони засувка завжди відкривається шляхом натискання на горизонтальну штангу. Сертифікований в Європі по EN 1125.

Технічні характеристики:
- Монтаж: накладний;
- Частота використання: 3 (висока);
- Зносостійкість: 7 (200 000 циклів);
- Максимальна вага дверей: 6 (до 200 кг);
- Клас безпеки: 1;
- Стійкість до корозії: 3 (до 96 годин в соляних випарах);
- Виступ горизонтальної штанги: 2 (до 100 мм);
- Тип функціонування: А (натискна штанга);
- Довжина штанги: 900 мм;
- Висота: 2210 мм;
- Шток: 8 мм;
- Сторона відкриття: універсальна;
- Колір: чорний / зелений;
- Кількість точок замикання: 2;
- Обробка антипаніки: PP;
- Зворотна планка: в комплекті;
- Країна виробник: Іспанія.

Компанія TESA була заснована ще в 1941 році в місті Ескоріаса (Іспанія). На сьогоднішній день продукція цієї торгової марки успішно реалізується в багатьох країнах світу, пропонуючи рішення в сфері обладнання евакуаційних та аварійних виходів, які дозволяють безпечно і зручно залишити приміщення при виникненні паніки в разі надзвичайних ситуацій і аварій. Наразі компанія є одним із підрозділів великого міжнародного холдингу ASSA ABLOY - світового лідера у виробництві дверних замкових рішень.

| Картка товару | |
| Гарантійний термін | 24 місяці |
| Країна виробник | Іспанія |
| Способ установки | Накладний |
| Тип встановлення замка | Врізний |
Переглянуті товари
